El diodo ideal es un componente discreto que permite la circulación de corriente entre sus terminales en un determinado sentido, mientras que la bloquea en el sentido contrario.
En la Figura 1 se muestran el símbolo y la curva característica tensión-intensidad del funcionamiento del diodo ideal. El sentido permitido para la corriente es de A a K.

Símbolo y curva característica tensión-corriente del diodo ideal.
El funcionamiento del diodo ideal es el de un componente que presenta resistencia nula al paso de la corriente en un determinado sentido, y resistencia infinita en el sentido opuesto. La punta de la flecha del símbolo circuito, representada en la figura 1, indica el sentido permitido de la corriente.
- presenta resistencia nula.

- presenta resistencia infinita.

Mediante el siguiente ejemplo se pretende mostrar el funcionamiento ideal de un diodo en circuito sencillo.

Ejemplo de funcionamiento del diodo ideal.
Según está colocada la fuente, la corriente debe circular en sentido horario.
En el circuito de la izquierda, el diodo permite dicha circulación, ya que la corriente entra por el ánodo, y éste se comporta como un interruptor cerrado. Debido a esto, se produce una caída de tensión de 10V en la resistencia, y se obtiene una corriente de 5mA.
En el circuito de la derecha, el diodo impide el paso de corriente, comportándose como un interruptor abierto, y la caída de tensión en la resistencia es nula: los 10V se aplican al diodo.
Actualmente los diodos se fabrican a partir de la unión de dos materiales semiconductores de características opuestas, es decir, uno de tipo N y otro de tipo P. A esta estructura se le añaden dos terminales metálicos para la conexión con el resto del circuito. En la Figura 3: se presenta el esquema de los dos tipos de diodos que se fabrican actualmente, el diodo vertical y el plano.

Esquemas de diodos de unión PN
El hecho de que los diodos se fabriquen con estos materiales conlleva algunas desviaciones de comportamiento con respecto al diodo ideal.
En este apartado se presenta en primer lugar el proceso de formación de los diodos de semiconductores para pasar después a exponer el comportamiento eléctrico y las desviaciones con respecto al comportamiento ideal.
Supongamos que se dispone de un monocristal de silicio puro, dividido en dos zonas con una frontera nítida, definida por un plano. Una zona se dopa con impurezas de tipo P y la otra de tipo N (Figura 4). La zona P tiene un exceso de huecos, y se obtiene introduciendo átomos del grupo III en la red cristalina (por ejemplo, boro). La zona N dispone de electrones en exceso, procedentes de átomos del grupo V (fósforo). En ambos casos se tienen también portadores de signo contrario, aunque en una concentración varios órdenes de magnitud inferior (portadores minoritarios).

Impurificación del silicio para la obtención de diodos PN
En cada zona la carga total es neutra: por cada electrón hay un ion positivo, y por cada hueco un ion negativo, es decir, no existen distribuciones de carga neta, ni campos eléctricos internos. En el momento mismo de crear dos zonas de diferente concentración de portadores, entra en juego el mecanismo de la difusión. Como se recordará, este fenómeno tiende a llevar partículas de donde hay más a donde hay menos. El efecto es que los electrones y los huecos cercanos a la unión de las dos zonas la cruzan y se instalan en la zona contraria, es decir:
- Electrones de la zona N pasan a la zona P.
- Huecos de la zona P pasan a la zona N.
Este movimiento de portadores de carga tiene un doble efecto. Centrémonos en la región de la zona P cercana a la unión:
- El electrón que pasa la unión se recombina con un hueco. Aparece una carga negativa, ya que antes de que llegara el electrón la carga total era nula.
- Al pasar el hueco de la zona P a la zona N, provoca un defecto de carga positiva en la zona P, con lo que también aparece una carga negativa.
El mismo razonamiento, aunque con signos opuestos puede realizarse para la zona N. En consecuencia, a ambos lados de la unión se va creando una zona de carga, que es positiva en la zona N y negativa en la zona P (Figura 5).

Formación de la unión PN
En el ejemplo del capítulo 5, los gases difunden completamente hasta llenar las dos estancias de la caja y formar una mezcla uniforme. Sin embargo, a diferencia de lo que ocurre con los gases de aquel ejemplo, en este caso están difundiendo partículas cargadas. La distribución de cargas formada en la región de la unión provoca un campo eléctrico desde la zona N a la zona P. Este campo eléctrico se opone al movimiento de portadores según la difusión, y va creciendo conforme pasan más cargas a la zona opuesta. Al final la fuerza de la difusión y la del campo eléctrico se equilibran y cesa el trasiego de portadores. En ese momento está ya formado el diodo de unión PN, y como resultado del proceso se ha obtenido:
- Zona P, semiconductora, con una resistencia RP.
- Zona N, semiconductora, con una resistencia .
- Zona de agotamiento (deplección): No es conductora, puesto que no posee portadores de carga libres. En ella actúa un campo eléctrico, o bien entre los extremos actúa una barrera de potencial.
Hay que tener en cuenta que este proceso sucede instantáneamente en el momento en el que se ponen en contacto las zonas N y P, y no necesita de ningún aporte de energía, excepto el de la agitación térmica.
El bloque PN descrito en el apartado anterior (Figura 6) en principio no permite el establecimiento de una corriente eléctrica entre sus terminales puesto que la zona de deplección no es conductora.

Diodo PN durante la aplicación de una tensión inferior a la de barrera
Sin embargo, si se aplica una tensión positiva en el ánodo, se generará un campo eléctrico que «empujará» los huecos hacia la unión, provocando un estrechamiento de la zona de deplección (). Sin embargo, mientras ésta exista no será posible la conducción.

Diodo PN bajo la acción de una tensión mayor que la de barrera
Si la tensión aplicada supera a la de barrera, desaparece la zona de deplección y el dispositivo conduce. De forma simplificada e ideal, lo que sucede es lo siguiente (Figura 7):
- Electrones y huecos se dirigen a la unión.
- En la unión se recombinan.
En resumen, polarizar un diodo PNen directa es aplicar tensión positiva a la zona P y negativa a la zona N. Un diodo PN conduce en directa porque se inunda de cargas móviles la zona de deplección.
La tensión aplicada se emplea en:
- Vencer la barrera de potencial.
- Mover los portadores de carga.
Al contrario que en el apartado anterior, al aplicar una tensión positiva a la zona N y negativa a la zona P, se retiran portadores mayoritarios próximos a la unión. Estos portadores son atraídos hacia los contactos aumentando la anchura de la zona de deplección. Esto hace que la corriente debido a los portadores mayoritarios sea nula (Figura 8).
Ahora bien, en ambas zonas hay portadores minoritarios. Un diodo polarizado en inversa lo está en directa para los minoritarios, que son atraídos hacia la unión. El movimiento de estos portadores minoritarios crea una corriente, aunque muy inferior que la obtenida en polarización directa para los mismos niveles de tensión.

Diodo PN polarizado en inversa
Al aumentar la tensión inversa, llega un momento en que se produce la ruptura de la zona de deplección, al igual que sucede en un material aislante: el campo eléctrico puede ser tan elevado que arranque electrones que forman los enlaces covalentes entre los átomos de silicio, originando un proceso de rotura por avalancha. (Nota: Sin embargo, ello no conlleva necesariamente la destrucción del diodo, mientras la potencia consumida por el diodo se mantenga en niveles admisibles).
2.4 Característica tensión-corriente
La Figura 9 muestra la característica V-I (tensión-corriente) típica de un diodo real.

Característica V-I de un diodo de unión PN.
En la gráfica se aprecian claramente diferenciadas las diversas regiones de funcionamiento explicadas en el apartado anterior:
- Región de conducción en polarización directa (PD).
- Región de corte en polarización inversa (PI).
- Región de conducción en polarización inversa.
Por encima de 0 Voltios, la corriente que circula es muy pequeña, hasta que no se alcanza la tensión de barrera (VON). El paso de conducción a corte no es instantáneo: a partir de VON la resistencia que ofrece el componente al paso de la corriente disminuye progresivamente, hasta quedar limitada sólo por las resistencias internas de las zonas P y N. La intensidad que circula por la unión aumenta rápidamente. En el caso de los diodos de silicio, VON se sitúa en torno a 0,7 V.
Cuando se polariza con tensiones menores de 0 Voltios, la corriente es mucho menor que la que se obtiene para los mismos niveles de tensión que en directa, hasta llegar a la ruptura, en la que de nuevo aumenta.
2.5 Diferencias entre el diodo de unión PN y el diodo ideal
Las principales diferencias entre el comportamiento real y ideal son:
- La resistencia del diodo en polarización directa no es nula.
- La tensión para la que comienza la conducción es VON.
- En polarización inversa aparece una pequeña corriente.
- A partir de una tensión en inversa el dispositivo entra en conducción por avalancha.
En la Figura vemos representadas más claramente estas diferencias entre los comportamientos del diodo de unión PN e ideal.

Diferencias entre el comportamiento del diodo de unión PN y del diodo ideal
3 MODELOS DEL DIODO DE UNION PN
A continuación se van a explicar los diferentes tipos de modelos propuestos para el funcionamiento de un diodo de unión PN.
3.1 Modelos para señales continuas
Bajo el término señales continuas se engloban en este apartado tanto las señales constantes en el tiempo como aquellas que varían con una frecuencia muy baja.
3.1.2 Modelo ideal del diodo de unión PN.
El modelo ideal del diodo de unión PN se obtiene asumiendo las siguientes simplificaciones:
- Se toma el factor de idealidad como la unidad, n=1.
- Se supone que la resistencia interna del diodo es muy pequeña y que, por lo tanto, la caída de tensión en las zonas P y N es muy pequeña, frente a la caída de tensión en la unión PN.

Para V<0, el término exponencial es muy pequeño, despreciable frente a la unidad. Entonces la intensidad tiende al valor IS, que como ya se había indicado anteriormente, es la corriente inversa del diodo. Para V>0, la exponencial crece rápidamente por encima de la unidad.
3.1.3 Modelo lineal por tramos
Al igual que el modelo real, el modelo ideal sigue siendo poco práctico, dado su carácter no lineal. El modelo lineal por tramos se obtiene como una aproximación del modelo ideal del diodo de unión PN, considerando las siguientes simplificaciones:
- En inversa, la corriente a través de la unión es nula.
- En directa, la caída de tensión en la unión PN (VON) es constante e independiente de la intensidad que circule por el diodo.
Para calcular el valor de VON se considera un diodo de unión PN de silicio con una I S= 85 fA a una temperatura ambiente de T=25 ºC. El potencial térmico a esa temperatura es VT=27 mV. Tomando como variable independiente la intensidad I, la ecuación ideal del diodo queda:

A partir de esta expresión, se puede calcular la caída de tensión en el diodo para las magnitudes de corriente habituales en los circuitos electrónicos. Por ejemplo, para un intervalo de corrientes 1 mA < I < 1 A se tienen tensiones 0.6 V <VDIODO< 0.77 V. Como se puede apreciar, mientras que la corriente ha variado 3 órdenes de magnitud, la tensión apenas ha experimentado un cambio de 200 mV, por lo que es posible aproximar la caída de tensión en la unión PN a un valor constante de 0.7 V.
Con estas simplificaciones se consigue evitar las expresiones exponenciales que complican los cálculos en la resolución del circuito. Sin embargo, se divide el modelo en dos tramos lineales denominados inversa y directa (o corte y conducción), cada uno de los cuales obedece a ecuaciones diferentes: el diodo queda convertido en un componente biestado.
El modelo lineal por tramos queda sintetizado en la siguiente tabla:
| Estado | Modelo | Condición |
| Conducción | V = V on | I ) 0 |
| Corte | I = 0 | V ( V on |
Muestra la curva característica V-I del modelo lineal

Modelo lineal por tramos del diodo.
Quedan reflejados los dos posibles estados del diodo el diodo:
- Conducción o Polarización Directa «On», donde la tensión es VON para cualquier valor de la corriente.
- Corte o Polarización Inversa «Off», donde la corriente es nula para cualquier valor de tensión menor que VON.
El uso de este modelo sólo está justificado en aquellas ocasiones en las que no se requiere una gran exactitud en los cálculos.
Algunos diodos se diseñan para aprovechar la tensión inversa de ruptura, con una curva característica brusca o afilada. Esto se consigue básicamente a través del control de los dopados. Con ello se logran tensiones de ruptura de 2V a 200V, y potencias máximas desde 0.5W a 50W.
La característica de un diodo zener se muestra en la Figura 17. Teóricamente no se diferencia mucho del diodo ideal, aunque la filosofía de empleo es distinta: el diodo zener se utiliza para trabajar en la zona de ruptura, ya que mantiene constante la tensión entre sus terminales (tensión zener, VZ). Una aplicación muy usual es la estabilización de tensiones.

Característica V-I de un diodo Zener.
Los parámetros comerciales del diodo zener son los mismos que los de un diodo normal, junto con los siguientes:
- VZ: Tensión de zener
- IZM: Corriente máxima en inversa.
NOTA: Hay que tener en cuenta que el fabricante nos da los valores de VZ y IZM en valor absoluto. Al resolver un problema, no hay que olvidar que los valores son negativos con el criterio de signos establecido por el símbolo del componente (Figura 17).
El zener es un dispositivo de tres estados operativos:
- Conducción en polarización directa: Como en un diodo normal
- Corte en polarización inversa: Como en un diodo normal
- Conducción en polarización inversa: Mantiene constante la V=VZ, con una corriente entre 0 y IZM.
El modelo lineal por tramos para el diodo zener es el siguiente:
| Estado | Modelo | Condición |
| Conducción P.D. | V=VON | I>0 |
| Corte | I=0 | VZ<V<VON |
| Conducción P.I. | V=VZ | I<0 |
6 EJEMPLO DE APLICACION DEL DIODO: RECTIFICACION
La energía eléctrica generada en las centrales de potencia es de tipo alterna sinusoidal. Esta energía se transmite hasta los centros de consumo mediante las redes de distribución. Sin embargo, en muchas ocasiones, se requiere una tensión de alimentación continua. Un rectificador es, básicamente, un dispositivo que transforma la tensión alterna en continua.

Esquema general de la rectificación.
El rectificador es un aparato muy empleado en la vida diaria. Una gran parte de los electrodomésticos utilizados en el hogar llevan incorporado un dispositivo de este tipo. En general, estos aparatos necesitan menos tensión de alimentación que la suministrada por la red, por ello llevan incorporado en primer lugar un transformador de tensión. El transformador reduce la tensión de la red (220V eficaces es una tensión generalmente demasiado alta para pequeños electrodomésticos) a la tensión deseada. Una vez reducida la tensión, el rectificador convierte la tensión alterna en continua.
En este apartado se van a presentar los esquemas rectificadores más comúnmente empleados, partiendo para ello de un circuito básico, e introduciendo en él los componentes necesarios para mejorar su comportamiento.
6.1 Notaciones Las notaciones empleadas en este apartado se detallan

Notaciones.
- vi: tensión de entrada, vi=VM·sen(wt).
- VO: tensión de salida.
- RL: resistencia asociada al aparato o «carga» que se conecta al rectificador.
En el caso más general, según la notación de la figura, la tensión vi sería la tensión de la red , la VO sería la tensión deseada en continua y la RL simbolizaría al aparato musical, video,… que por ser un elemento pasivo, puede reducirse a una simple resistencia de carga mediante su circuito equivalente Thevenin.
Un rectificador funciona en vacío cuando no se le conecta ningún aparato, es decir, cuando la RL no está unida al circuito. En caso de que sí esté conectada se dice que funciona en carga.
6.2 Esquema básico. Rizado de la onda de salida
El esquema de la Figura 20 es el más sencillo de los rectificadores: el diodo. A continuación se estudia este circuito, para después discutir la validez del mismo.

Esquema de un sencillo rectificador.
Cuando el valor de la tensión de entrada es superior a la de conducción del diodo se crea una corriente, y se cumple que: VO = vi -VON.
Como se puede apreciar, la tensión de salida VO se parece muy poco a lo que se entiende por tensión continua, es decir, un valor constante en el tiempo. Sin embargo, esta onda no es tan mala como parece. Aunque no es constante, siempre es mayor que cero. Además, su valor medio es diferente de cero. Con los esquemas más complejos, se intenta que esta onda de salida se parezca lo más posible a una línea horizontal, pero siempre tendremos una desviación de la ideal, que se cuantifica por el rizado de la onda de salida:


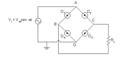
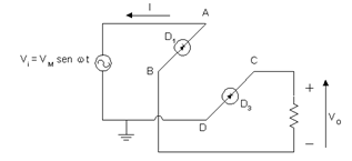
6.4 Rectificador de onda completa
el esquema anterior produce una onda de salida bastante aceptable, cuando el condensador es lo suficientemente grande como para alimentar la carga durante un semiciclo aproximadamente. Sin embargo, se desaprovecha medio ciclo de la red, con lo que la potencia transmitida a la carga se limita. En el siguiente circuito, el puente de diodos consigue que durante el semiciclo negativo también alimente la red a la carga.



