Componentes de una fuente de alimentación:
La función de una fuente de alimentación es convertir la tensión alterna en una tensión continua y lo más estable posible, para ello se usan los siguientes componentes: 1.- Transformador de entrada; 2.- Rectificador a diodos; 3.- Filtro para el rizado; 4.- Regulador (o estabilizador) lineal. Este último no es imprescindible.


Transformador de entrada:
El trasformador de entrada reduce la tensión de red (generalmente 220 o 120 V) a otra tensión mas adecuada para ser tratada. Solo es capaz de trabajar con corrientes alternas. esto quiere decir que la tensión de entrada será alterna y la de salida también. Consta de dos arrollamientos sobre un mismo núcleo de hierro, ambos arrollamientos, primario y secundario, son completamente independientes y la energía eléctrica se transmite del primario al secundario en forma de energía magnética a través del núcleo. el esquema de un transformador simplificado es el siguiente:

La corriente que circula por el arrollamiento primario (el cual está conectado a la red) genera una circulación de corriente magnética por el núcleo del transformador. Esta corriente magnética será más fuerte cuantas más espiras (vueltas) tenga el arroyamiento primario. Si acercas un imán a un transformador en funcionamiento notarás que el imán vibra, esto es debido a que la corriente magnética del núcleo es alterna, igual que la corriente por los arrollamientos del transformador
Rectificador a diodos
El rectificador es el que se encarga de convertir la tensión alterna que sale del transformador en tensión continua. Para ello se utilizan diodos. Un diodo conduce cuando la tensión de su ánodo es mayor que la de su cátodo. Es como un interruptor que se abre y se cierra según la tensión de sus terminales:

El rectificador se conecta después del transformador, por lo tanto le entra tensión alterna y tendrá que sacar tensión continua, es decir, un polo positivo y otro negativo:

La tensión Vi es alterna y senoidal, esto quiere decir que a veces es positiva y otras negativa. En un osciloscopio veríamos esto:

Rectificador a un diodo
El rectificador mas sencillo es el que utiliza solamente un diodo, su esquema es este:

Cuando Vi sea positiva la tensión del ánodo será mayor que la del cátodo, por lo que el diodo conducirá: en Vo veremos lo mismo que en Vi
Mientras que cuando Vi sea negativa la tensión del ánodo será menor que la del cátodo y el diodo no podrá conducir, la tensión Vo será cero.
Según lo que acabamos de decir la tensión Vo tendrá esta forma:

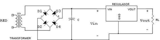
El rectificador mas usado es el llamado rectificador en puente, su esquema es el siguiente:

Cuando Vi es positiva los diodos D2 y D3 conducen, siendo la salida Vo igual que la entrada Vi
Cuando Vi es negativa los diodos D1 y D4 conducen, de tal forma que se invierte la tensión de entrada Vi haciendo que la salida vuelva a ser positiva.
El resultado es el siguiente:

Vemos en la figura que todavía no hemos conseguido una tensión de salida demasiado estable, por ello, será necesario filtrarla después.
Es tan común usar este tipo de rectificadores que se venden ya preparados los cuatro diodos en un solo componente. Suele ser recomendable usar estos puentes rectificadores, ocupan menos que poner los cuatro diodos y para corrientes grandes vienen ya preparados para ser montados en un radiador. Este es el aspecto de la mayoría de ellos:

Tienen cuatro terminales, dos para la entrada en alterna del transformador, uno la salida positiva y otro la negativa o masa. Las marcas en el encapsulado suelen ser:
~ Para las entradas en alterna
+ Para la salida positiva
– Para la salida negativa o masa.
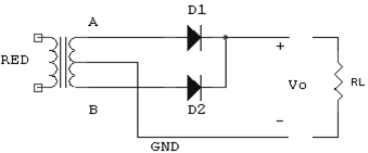
Rectificador a dos diodos
La forma de la onda de salida es idéntica a la del rectificador en puente, sin embargo este rectificador precisa de un transformador con toma media en el secundario. Un transformador de este tipo tiene una conexión suplementaria en la mitad del arrollamiento secundario:

Normalmente se suele tomar como referencia o masa la toma intermedia, de esta forma se obtienen dos señales senoidales en oposición de fase. dos señales de este tipo tienen la siguiente forma:

El esquema del rectificador con dos diodos es el siguiente:

Tal y como son las tensiones en A y en B nunca podrán conducir ambos diodos a la vez. Cuando A sea positiva (B negativa) el ánodo de D1 estará a mayor tensión que su cátodo, provocando que D1 conduzca. Cuando B sea positiva (A negativa) el ánodo de D2 estará a mayor tensión que su cátodo, provocando que D2 conduzca. Obteniéndose la misma forma de Vo que con el puente rectificador:

El filtro:
La tensión en la carga que se obtiene de un rectificador es en forma de pulsos. En un ciclo de salida completo, la tensión en la carga aunmenta de cero a un valor de pico, para caer despues de nuevo a cero. Esta no es la clase de tensión continua que precisan la mayor parte de circuitos electrónicos. Lo que se necesita es una tensión constante, similar a la que produce una batería. Para obtener este tipo de tensión rectificada en la carga es necesario emplear un filtro.
El tipo mas común de filtro es el del condensador a la entrada, en la mayoría de los casos perfectamente válido. Sin embargo en algunos casos puede no ser suficiente y tendremos que echar mano de algunos componentes adicionales.
Filtro con condensador a la entrada:
Este es el filtro mas común y seguro que lo conocerás, basta con añadir un condensador en paralelo con la carga (RL), de esta forma:

Todo lo que digamos en este apartado será aplicable también en el caso de usar el filtro en un rectificador en puente.

La tensión en la carga es ahora casi una tensión ideal. Solo nos queda un pequeño rizado originado por la carga y descarga del condensador. Para reducir este rizado podemos optar por construir un rectificador en puente: el condensador se cargaría el doble de veces en el mismo intervalo teniendo así menos tiempo para descargarse, en consecuencia el rizado es menor y la tensión de salida es mas cercana a Vmax.
Efecto del condensador en la conducción del diodo:
Como venimos diciendo hasta ahora, el diodo solo conduce cuando el condensador se carga. Cuando el condensador se carga aumenta la tensión en la salida, y cuando se descarga disminuye, por ello podemos distinguir perfectamente en el gráfico cuando el diodo conduce y cuando no. En la siguiente figura se ha representado la corriente que circula por el diodo, que es la misma que circula por el transformador:


Filtros Pasivos RC y LC:
Con la regla del 10 por 100 se obtiene una tensión continua en la carga de aproximadamente el 10%. Antes de los años setenta se conectaban filtros pasivos entre el condensador del filtro y la carga para reducir el rizado a menos del 1%. La intención era obtener una tensión continua casi perfecta, similar a la que proporciona una pila. En la actualidad es muy raro ver filtros pasivos en diseños de circuitos nuevos, es mas común usar circuitos estabilizadores de tensión. Sin embargo estos estabilizadores tienen sus limitaciones y es posible que no te quede mas remedio que usar un filtro pasivo.
Filtro RC:

Filtro LC:

El regulador:
Un regulador o estabilizador es un circuito que se encarga de reducir el rizado y de proporcionar una tensión de salida de la tensión exacta que queramos. En esta sección nos centraremos en los reguladores integrados de tres terminales que son los más sencillos y baratos que hay, en la mayoría de los casos son la mejor opción.
Este es el esquema de una fuente de alimentación regulada con uno de estos reguladores:

Reguladores de la serie 78XX

Este es el aspecto de un regulador de la serie 78XX. Su característica principal es que la tensión entre los terminales Vout y GND es de XX voltios y una corriente máxima de 1A. Por ejemplo: el 7805 es de 5V, el 7812 es de 12V… y todos con una corriente máxima de 1 Amperio. Se suelen usar como reguladores fijos.
Existen reguladores de esta serie para las siguientes tensiones: 5, 6, 8, 9, 10, 12, 15, 18 y 24 voltios. Se ponen siguiendo las indicaciones de la página anterior y ya esta, obtenemos una Vout de XX Voltios y sin rizado.
Es posible que tengas que montar el regulador sobre un radiador para que disipe bien el calor, pero de eso ya nos ocuparemos mas adelante.
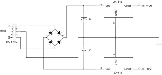
Reguladores de la serie 79XX:

El aspecto es como el anterior, sin embargo este se suele usar en combinación con el 78XX para suministrar tensiones simétricas. la tensión entre Vout y GND es de – XX voltios, por eso se dice que este es un regulador de tensión negativa. La forma de llamarlos es la misma: el 7905 es de 5V, el 7912 es de 12… pero para tensiones negativas.

El valor de C puedes ajustarlo mediante la regla del 10%.
Regulador ajustable LM317:
Este regulador de tensión proporciona una tensión de salida variable sin mas que añadir una resistencia y un potenciómetro. Se puede usar el mismo esquema para un regulador de la serie 78XX pero el LM317 tiene mejores características eléctricas. El aspecto es el mismo que los anteriores, pero este soporta 1,5A. el esquema a seguir es el siguiente:
